美式风格两层别墅赏析,内附户型图及房屋效果图
项目名称:轻钢装配式集成别墅
占地尺寸:14.1m×13.05m
占地面积:170㎡
建筑面积:294.87㎡
建筑高度:9.7m
房屋用途:养生、度假、会所、办公
1
360°旋转展示
美式别墅以清新馥雅的田园风格著称,注重建筑细节,有古典情怀,外观简洁大方,极有特色。可谓是既美观又简约,非常适合自建。今天的这套户型就是经典的美式二层别墅,充分体现了房子简洁大方,轻松的特点,度假、接待非常舒适。
2
立面图展示
▲南立面
▲西立面
▲东立面
▲北立面
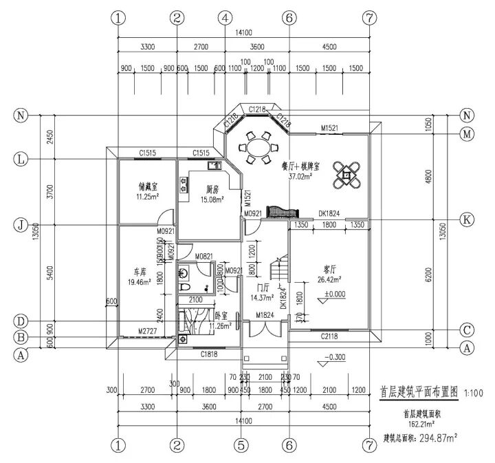
3
平面布局图
说明:一层设有门厅、客厅、2个卧室、厨房、餐厅+棋牌室、卫生间、储藏室和车库。二层设有5个卧室、2个卫生间和2个露台。
4
推荐装修效果
本项目采用新型内墙装饰材料——竹丝纤维复合板,实现了更好的装饰效果,创造了清洁便捷的生活方式。快速装修、用材节约、维护方便、即装即住、安全环保的特点,非常适合在别墅项目上使用。
客厅
餐厅
厨房
卫生间
卫生间












